56334 produktov
Klzné bezúdržbové kĺbové ložisko, oceľ/PTFE fabric, obojstranné trojbrité tesnenie.
od 132 €
Porovnať ceny
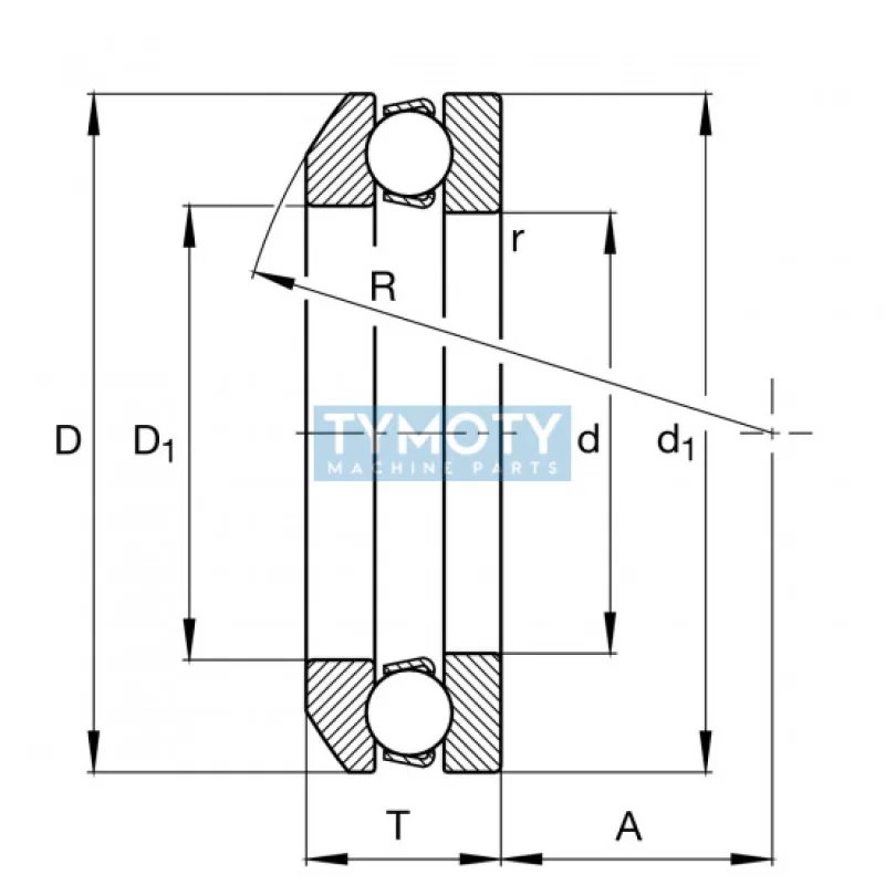
Ložisko 51140 M SKF - Jednosmerné axiálne guličkové ložiská môžu prenášať axiálne zaťaženie v jednom smere. Nesmie byť vystavená žiadnemu radiálnemu zaťaženiu. Ich oddeliteľné súčasti uľahčujú montáž/demontáž a kontroly pri údržbe. Mnohé súčasti sú vzájomne zameniteľné. Podložky hriadeľa majú brúsený otvor, ktorý umožňuje interferenčné uloženie. Oddeliteľná konštrukcia uľahčuje montáž/demontáž a kontroly údržby. Vymeniteľné súčasti.
od 611 €
Porovnať ceny
od 165 €
Porovnať ceny
od 222 €
Porovnať ceny
od 19 €
Porovnať ceny
od 245 €
Porovnať ceny
od 308 €
Porovnať ceny
od 12 €
Porovnať ceny
od 6396 €
Porovnať ceny
ZKL New Force: Je to pokročilý a vylepšený rad ložísk od ZKL. Tento rad je navrhnutý pre vyšší výkon a odolnosť ako bežné ložiská. Má lepšie parametre v oblasti nosnosti, presnosti výroby a životnosti. Často sa používajú kvalitnejšie materiály a výrobné technológie, čo zaisťuje dlhšiu životnosť a odolnosť proti vyšším teplotám, vibráciám a zaťaženiu. Použitie: Špeciálne a náročnejšie aplikácie, kde sú vyžadované vyššie technické parametre, napríklad v ťažkom priemysle, energetike alebo špecifických strojárskych aplikáciách. Kľúčové rozdiely: ZKL New Force ponúka lepší výkon a odolnosť v porovnaní s bežnými ložiskami ZKL vďaka pokročilým výrobným technológiám a vyšším špecifikáciám. Štandardné ZKL ložiská sú určené na bežné použitie, zatiaľ čo ZKL New Force sú navrhnuté pre náročnejšie a extrémnejšie prevádzkové podmienky. Záleží teda na špecifických požiadavkách, ktoré má aplikácia, pre ktorú sa ložisko vyberá.
od 7060 €
Porovnať ceny
od 1 €
Porovnať ceny
Nachi FRB 5/140 je polohovací krúžok určený na zaistenie axiálnej polohy ložiska v priestore telesa. Tento komponent je vyrobený z kvalitnej ocele, čo zaručuje jeho vysokú pevnosť a odolnosť voči mechanickému namáhaniu. Krúžok má vonkajší priemer D 140 mm a šírku B 5 mm, pričom vnútorný priemer d je 129 mm. Tieto rozmery sú optimalizované pre presné osadenie a zabezpečenie ložiska v požadovanej pozícii, čím sa minimalizuje riziko nežiaducich posunov počas prevádzky.Polohovací krúžok je nevyhnutnou súčasťou konštrukcií, kde je potrebné presné a spoľahlivé upevnenie ložísk, najmä v aplikáciách s vysokými nárokmi na presnosť a stabilitu. Používa sa v rôznych priemyselných odvetviach, vrátane strojárstva a automobilového priemyslu, kde je dôležité zabezpečiť dlhodobú funkčnosť a spoľahlivosť ložiskových zostáv. Výrobca Nachi je známy svojou precíznosťou a kvalitou, čo zaručuje, že tento polohovací krúžok spĺňa všetky požiadavky na presnosť a trvanlivosť.
od 9 €
Porovnať ceny
od 1318 €
Porovnať ceny
od 18 €
Porovnať ceny
od 30 €
Porovnať ceny
od 262 €
Porovnať ceny
Ložisko 7313 BEGBM SKF - Tieto jednoradové guličkové ložiská s kosouhlým stykom radu inch s kontaktným uhlom 20° znášajú súčasne pôsobiace radiálne a axiálne zaťaženie, pričom axiálne zaťaženie pôsobí iba v jednom smere. Majú klietku z mosadze alebo PA66 vystuženú sklenenými vláknami s guličkovým stredom. Môžu pracovať pri vysokých otáčkach av závislosti od variantu aj pri veľmi vysokých otáčkach. Sú vhodnejšie ako guličkové ložiská s hlbokou drážkou na prenášanie veľkých axiálnych síl pôsobiacich v jednom smere. Palcový rad. Kontaktný uhol 20 °. Mosadzná klietka alebo klietka vystužená sklenými vláknami PA66. Možnosť vysokých otáčok. Prenášajú relatívne vysoké radiálne zaťaženie a veľké jednostranné axiálne zaťaženie.
od 179 €
Porovnať ceny
od 62 €
Porovnať ceny
Ložisko - samomazné klzné puzdro zo spekaného bronzu. Slinutý bronz je pórovitý materiál s objemom pórov cca 28%, ktoré sú naplnené minerálnym olejom. Preto je puzdro vhodné na použitie v bezúdržbových aplikáciách pri teplotách od -10 do +100 °C. Puzdrá zo spekaného bronzu majú - vysokú klznú rýchlosť - nízke trenie - nevyžadujú domazávanie.
od 2 €
Porovnať ceny
od 15 €
Porovnať ceny
Oporná kladka INA PWTR 50110-2RS-RR-XL je konštrukčne navrhnutá pre aplikácie, kde je potrebné zabezpečiť spoľahlivú podporu a vedenie pohyblivých častí. Tento komponent je súčasťou kategórie yoke type track roller, čo znamená, že je určený na použitie v systémoch, kde sa kladie dôraz na vysokú nosnosť a odolnosť voči opotrebovaniu. Kladka má vonkajší priemer 110 mm a vnútorný priemer 50 mm, pričom jej šírka je 32 mm. Tieto rozmery sú optimalizované pre efektívne rozloženie zaťaženia a minimalizáciu trenia, čo prispieva k predĺženiu životnosti komponentu. Výrobca INA je známy svojou precíznou výrobou a vysokou kvalitou materiálov, čo zaručuje spoľahlivosť a dlhodobú funkčnosť kladky aj v náročných podmienkach.Model PWTR 50110-2RS-RR-XL je vybavený dvojitým tesnením (2RS), ktoré zabezpečuje ochranu pred prachom a vlhkosťou, čím sa zvyšuje odolnosť voči korózii a znižuje potreba údržby. Označenie RR-XL indikuje špecifické vlastnosti, ako napríklad zvýšenú kapacitu zaťaženia alebo prispôsobenie pre špecifické aplikácie.Táto oporná kladka je vhodná pre použitie v priemyselných aplikáciách, kde je vyžadovaná vysoká presnosť a spoľahlivosť, ako sú napríklad dopravníkové systémy, montážne linky alebo iné mechanizmy s cyklickým pohybom. Číslo výrobcu 064534561-0000 umožňuje jednoduchú identifikáciu a objednanie komponentu v prípade potreby náhrady alebo údržby.
od 273 €
Porovnať ceny
od 255 €
Porovnať ceny
Guľkové ložisko s kosouhlým stykom SKF 7014 CDGA/HCP4A je vysoko presný komponent určený pre aplikácie, kde je potrebné prenášať kombinované zaťaženie, teda súčasne radiálne a axiálne sily. Ložisko je navrhnuté s dôrazom na maximálnu presnosť a spoľahlivosť, čo je charakteristické pre výrobky značky SKF.Tento typ ložiska má vnútorný priemer (d) 70 mm, vonkajší priemer (D) 110 mm a šírku (B) 20 mm. Tieto rozmery umožňujú jeho použitie v rôznych priemyselných aplikáciách, kde je potrebná vysoká presnosť a odolnosť voči opotrebeniu. Ložisko je konštruované s kosouhlým stykom, čo znamená, že kontaktné uhly medzi guľkami a obežnými dráhami sú navrhnuté tak, aby efektívne prenášali axiálne zaťaženie v jednom smere. Tento dizajn je ideálny pre aplikácie, kde je potrebné zabezpečiť stabilitu a presnosť pri vysokých rýchlostiach.Označenie CDGA/HCP4A naznačuje, že ložisko patrí do kategórie presných ložísk s vysokou triedou presnosti P4A, čo je v súlade s normami ISO pre presné ložiská. Táto trieda presnosti zaručuje minimálne tolerancie a vysokú úroveň výkonu, čo je nevyhnutné pre aplikácie ako sú obrábacie stroje, kde je kritická presnosť a spoľahlivosť.Ložisko je vyrobené z kvalitných materiálov, ktoré zabezpečujú dlhú životnosť a odolnosť voči opotrebeniu. Je vhodné pre použitie v prostredí s vysokými otáčkami a zaťažením, pričom jeho konštrukcia umožňuje efektívne odvádzanie tepla vznikajúceho pri prevádzke. Vďaka týmto vlastnostiam je SKF 7014 CDGA/HCP4A ideálnou voľbou pre náročné priemyselné aplikácie, kde je potrebná vysoká presnosť a spoľahlivosť.
od 812 €
Porovnať ceny
Ložisko 7228 BM SKF - Tieto jednoradové guličkové ložiská s kosouhlým stykom radu inch s kontaktným uhlom 20° znášajú súčasne pôsobiace radiálne a axiálne zaťaženie, pričom axiálne zaťaženie pôsobí iba v jednom smere. Majú klietku z mosadze alebo PA66 vystuženú sklenenými vláknami s guličkovým stredom. Môžu pracovať pri vysokých otáčkach av závislosti od variantu aj pri veľmi vysokých otáčkach. Sú vhodnejšie ako guličkové ložiská s hlbokou drážkou na prenášanie veľkých axiálnych síl pôsobiacich v jednom smere. Palcový rad. Kontaktný uhol 20 °. Mosadzná klietka alebo klietka vystužená sklenými vláknami PA66. Možnosť vysokých otáčok. Prenášajú relatívne vysoké radiálne zaťaženie a veľké jednostranné axiálne zaťaženie.
od 695 €
Porovnať ceny
od 24 €
Porovnať ceny
Ložisko W 6005 2Z SKF - Jednoradové guličkové ložiská z nerezovej ocele s tesneniami alebo štítmi na oboch stranách zaisťujú väčšiu odolnosť proti chemikáliám a korózii. Rovnako ako u guličkových ložísk všeobecne sú obzvlášť univerzálne, majú nízke trenie a sú optimalizované pre nízku hlučnosť a nízke vibrácie, čo umožňuje vysoké rýchlosti otáčania. Prenášajú radiálne aj axiálne zaťaženie v oboch smeroch, ľahko sa montujú a vyžadujú menej údržby ako iné typy ložísk. Integrované tesnenie môže výrazne predĺžiť životnosť ložísk, pretože udržuje mazivo v ložiskách a nečistoty mimo nich. Väčšia odolnosť proti chemikáliám a korózii. Integrované tesnenie predlžuje životnosť ložiska. Typické výhody jednoradových guličkových ložísk.
od 44 €
Porovnať ceny
od 47 €
Porovnať ceny
Kĺbová hlavica, vonkajší pravý metrický závit, ložisko-oceľ/oceľ utesnené
od 303 €
Porovnať ceny
od 57 €
Porovnať ceny
Ložisko 6211 NR SKF - Jednoradové guličkové ložiská s drážkou s poistným krúžkom sú obzvlášť univerzálne, majú nízke trenie a sú optimalizované pre nízku hlučnosť a nízke vibrácie, čo umožňuje vysoké rýchlosti otáčania. Prenášajú radiálne aj axiálne zaťaženie v oboch smeroch, ľahko sa montujú a vyžadujú menej údržby ako mnohé iné typy ložísk. Zásuvný krúžok, uložený v prstencovej drážke vo vonkajšom krúžku, uľahčuje axiálne uloženie ložísk v ich telesách. Zaklapávací krúžok uľahčuje axiálne uloženie v telese. Jednoduchá, univerzálna a robustná konštrukcia. Nízke trenie a schopnosť pracovať pri vysokých otáčkach. Prenášajú radiálne a axiálne zaťaženie v oboch smeroch. Vyžadujú malú údržbu.
od 43 €
Porovnať ceny
Ramená riadenia